You are here: Home » Solutions » Automobile » How RFID is Automating Wafer Traceability in Smart Fabs

How RFID is Automating Wafer Traceability in Smart Fabs

In the high-precision environment of modern semiconductor manufacturing, the margin for error is virtually zero. The accuracy of information traceability and production automation directly impacts a fab's product yield and operational efficiency.

However, traditional tracking methods—such as operators manually pressing a button at the LoadPort to trigger an ID read—are no longer sufficient. These manual interventions are highly inefficient and introduce severe risks of data errors, latency, and material misrouting.

To thrive in the Industry 4.0 era, modern fabs require an automated, error-free solution: Semiconductor RFID technology.

The Industry Pain Points: Why Legacy Tracking Fails

Before exploring the solution, it is essential to understand the structural bottlenecks that semiconductor manufacturers face when relying on outdated material tracking systems.

1. Data Delays and Errors Caused by Human Intervention

Human error is the enemy of high-yield semiconductor manufacturing. When operators are required to manually trigger ID readings or scan barcodes after loading a wafer box (FOUP/Cassette), the process is subject to delays. An operator might forget to scan, scan the wrong batch, or experience a misread due to a damaged barcode. These manual interventions lead to severe data inaccuracies, causing the wrong process recipes to be loaded, which can instantly ruin millions of dollars' worth of wafers.

2. Incomplete Wafer Processing Traceability

In a fab, knowing exactly what happened to a wafer, at what time, and on which machine is critical for quality control. When manual tracking fails or misses a step, the traceability chain breaks. Incomplete processing information severely hinders a fab's ability to perform root-cause analysis when anomalies or defects are detected. Without a complete data trail, process engineers cannot effectively optimize manufacturing workflows or identify faulty equipment.

3. Information Silos and Fragmented Communication Protocols

A typical semiconductor fab utilizes machinery from dozens of different global vendors. Historically, these machines operate on varying communication protocols, leading to severe "information silos." When equipment cannot communicate seamlessly with the fab’s overarching Manufacturing Execution System (MES) or Equipment Automation Program (EAP), data remains trapped at the machine level. This lack of standardized integration prevents real-time data transparency and limits the potential for true smart manufacturing.

The Superisys Solution: Intelligent Semiconductor RFID Traceability System

To directly address these critical industry challenges, Superisys has developed the Intelligent Semiconductor RFID Traceability System.

By leveraging high-performance Industrial Low Frequency (LF) RFID technology combined with standardized SECS/SEMI protocols, Superisys constructs a fully automated, transparent data link across the entire fab floor. This system eliminates manual scanning, bridges the communication gap between disparate machines, and achieves real-time tracking of the entire wafer production lifecycle.

Through this intelligent system, semiconductor manufacturers can transition from reactive problem-solving to proactive, intelligent decision-making.

Core Advantages of the Superisys Semiconductor RFID Solution

Our RFID architecture is engineered specifically for the rigorous demands of the semiconductor industry. It offers three foundational advantages that drive factory automation upgrades:

Semiconductor RFID technology.png

1. Precise Identification and Active ID Reporting

The cornerstone of the Superisys solution is its ability to entirely replace manual triggers with automated, active sensing.

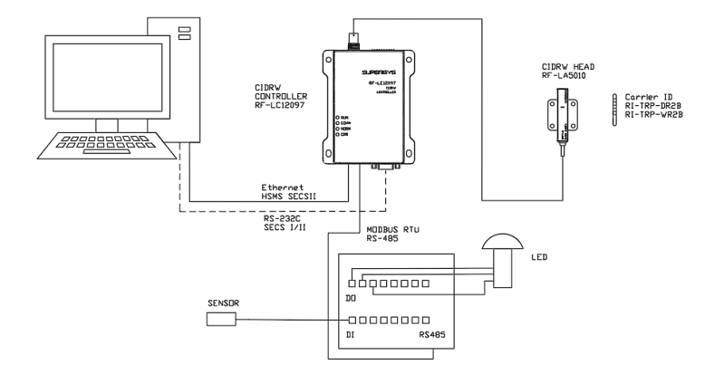
We integrate industrial-grade RFID data carriers/capsules (Model: RF-LT-DR2B) directly onto the LoadPort or the wafer carriers. This is paired with high-sensitivity RFID read/write controllers (Model: RF-LC12097) installed at various process stages and loading/unloading zones.

When a wafer box arrives at the LoadPort, the system achieves a millisecond-level response. It instantly and accurately identifies the carrier and automatically reports the ID to the overarching system. By eliminating the need for a human operator to push a button or scan a code, the system guarantees the absolute real-time accuracy and synchronization of production data.

2. Full-Process Traceability and a Closed-Loop Data System

Data is only valuable if it is accessible, continuous, and actionable. The Superisys RFID system continuously captures real-time data regarding the wafer’s processing technology, process parameters, and movement history.

This data is seamlessly integrated with the factory’s MES and ERP (Enterprise Resource Planning) systems to build a comprehensive, closed-loop production information database.

  • Forward Traceability: Operators and systems can track the current processing status and location of any wafer batch in real-time.

  • Backward Traceability: If a quality defect is discovered at the end of the line, engineers can instantly trace the historical process routing to pinpoint exactly which machine, operator, or time frame caused the anomaly, facilitating rapid root-cause localization.

3. SECS/GEM and SEMI Standardized Integration

For an RFID system to be viable in a global semiconductor fab, it must speak the language of the equipment.

The Superisys system is built upon the SECS/GEM (Semiconductor Equipment Communications Standard / Generic Equipment Model) protocol. This allows for highly efficient, standardized communication between the RFID hardware, the manufacturing equipment, and the host EAP/MES systems. By adhering strictly to international SEMI standards, our solution breaks down information silos, ensuring unparalleled system compatibility, scalability, and reliability across different tool vendors.

Semiconductor RFID technology.png

RS-232

RS-485

Ethernet

The Automated Workflow: How It Works at the LoadPort

To visualize how the Superisys Semiconductor RFID system upgrades a traditional fab, let us walk through the step-by-step automated workflow at a machine's LoadPort:

  1. Hardware Integration Setup: The physical setup involves connecting the Superisys RFID controller with remote I/O modules, machine pressure sensors, and LED three-color status lights.

  2. Automated Loading: An Automated Material Handling System (AMHS) or an operator places the wafer box—which contains the embedded RFID capsule—onto the equipment's LoadPort.

  3. Sensor Triggering: The moment the box is placed, the LoadPort's integrated pressure sensor detects the physical presence of the carrier. This physical detection immediately triggers the input terminal of the connected I/O module.

  4. Active Reading and Uploading: Sensing the I/O module input, the RFID control box is activated. It actively and instantaneously reads the ID of the RFID capsule on the wafer box. Upon a successful read, the ID and associated data are automatically uploaded to the EAP system, while the LED light signals successful data capture.

This entire sequence happens in fractions of a second, completely bypassing human interaction.

Real-World Application Case: SJ Semiconductor

To demonstrate the real-world efficacy of this technology, we look at our successful deployment at Jiangyin SJ Semiconductor .

The Client's Challenge:
SJ Semiconductor needed to upgrade their EAP information traceability and implement active ID reporting. Previously, their process required an operator to load the material onto the machine and then manually press a button to trigger the host computer to read the ID. This was slowing down production and leaving room for human error.

The Implementation:
Superisys deployed a comprehensive RFID product portfolio tailored for their environment:

  • RFID Controller/Read Head: RF-LC12097

  • RFID Data Carrier/Capsule: RF-LT-DR2B

  • Ancillary Hardware: Remote I/O modules, pressure sensors, and LED status lights.

企业微信截图_17722614005340.png

The Workflow Transformation:
Following the installation at the LoadPorts and various loading/unloading positions across process sections, the operational paradigm shifted entirely. The Superisys RFID read/write heads now accurately identify the RFID chips upon arrival.

The read head automatically extracts all wafer information (processing technology and historical process data) and uploads it to the PC/Controller. From there, the ERP system binds the RFID chip information precisely with the LoadPort data.

Superisys RFID

The Result:
SJ Semiconductor successfully replaced the manual button-trigger system. The system now achieves proactive ID reporting the moment a material box arrives. This seamless docking with on-site equipment has enabled transparent transmission of production data, automated exception handling, and a massive leap forward in the facility's data informatization construction.

The Business Value of Superisys RFID Integration

Implementing the Superisys Semiconductor RFID Traceability System delivers compounding returns on investment across three main pillars:

  • Significant Yield Improvement: By completely removing human error from the material tracking process, fabs ensure that the right recipe is run on the right wafer batch every single time. 100% data traceability prevents misprocessing, directly increasing the overall yield.

  • Cost Reduction and Efficiency Gains: Fully automated data collection drastically reduces the labor hours previously spent on manual scanning and data entry. It accelerates the production rhythm (UPH - Units Per Hour), allowing the fab to output more product with lower overhead costs.

  • Intelligent Decision-Making: With a transparent, real-time data dashboard continuously fed by RFID sensors, factory management gains unprecedented visibility. This data empowers engineers to perform advanced process optimization and implement predictive maintenance strategies, fixing tool issues before they cause costly downtime.

Future Outlook: The Backbone of Industry 4.0

As the semiconductor industry continues its relentless pursuit of smaller nodes and higher complexities, the margin for operational error will only continue to shrink. Within the framework of Industry 4.0 and smart manufacturing upgrades, robust industrial RFID technology is no longer an optional upgrade—it is the core digital infrastructure required for a modern wafer fab.

Superisys is dedicated to continuously deepening our research and development in high-reliability RFID and SECS/GEM integration solutions. We are committed to providing exceptional, transparent factory solutions that empower global semiconductor clients to achieve unprecedented levels of automation and quality control.

Ready to upgrade your semiconductor facility's automation and traceability?
Partner with Superisys today to integrate industry-leading RFID technology into your production lines.

Contact Our Technical Experts:

SOLUTIONS

Form Name

ABOUT US

Superisys (Wuhan) Intelligent Technology Co., Ltd., founded in 2018, is a professional manufacturer and service provider of industrial identification, industrial communication, industrial sensors and data solutions.

QUICK LINKS

CATEGORY

CONTACT US

   +86-13971499887 (Ms.Jayne Yang)
 +8613971499887
 +86-13971499887
 12#-1B, Yangluo Liandong U Valley Elctronic Tech Industrial Park, #36 Jinfa Avenue, Intelligent Manufacture Industrial Park, Changjiang New District, Wuhan, Hubei, China.
contact WhatsApp
contact1 WeChat
​Copyright © 2025 Superisys (Wuhan) Intelligent Technology Co., Ltd. All Rights Reserved. | Sitemap | Privacy Policy